Retroceder   TwistedAndes > Off Topic > Camping Offroad

Camping Offroad Equipamiento, consejos, ideas, y todo lo necesario para acampar en las salidas offroad.

Respuesta
 
Herramientas
Antiguo 01-08-2012, 02:41:16   #811
pairospam
Senior Member
Top 1000
 
Fecha de Ingreso: Sep 2009
Ubicación: San Felipe
Mensajes: 1.051
Predeterminado Re: Merkabah: de tolva a motorhome

Y llegó el siguiente fin de semana y el clima se mantenía firme así que se hizo propicio para un paseo vespertino en bicicleta luego del trabajo solitario por la mañana en el taller. Esta vez los caminos internos de Rinconada de los Andes nos ofrecieron un panorama de extraordinaria y calma belleza con la cordillera de telón de fondo, pintada por un sol oblicuo que iluminó por último la cumbre del Aconcagua antes de decir adiós hasta el día siguiente, reapareciendo cuando ya estábamos la mayoría de nosotros en el trabajo o camino a él sorteando el odioso tráfico del lunes por la mañana. Horror.

En esos días por fortuna llegó el segundo y extrañado retén guardapolvos del eje del balancín del boggie desde Alemania. También llegaron los retenes de reemplazo para los ejes de levas de freno, los que no hicieron más que aumentar la pila de cajas de retenes y o’rings que aguardaban a que todo estuviese listo para empezar a ensamblar los yugos.

El tiempo, siempre escaso, no jugó a mi favor durante esa semana así es que los avances no fueron espectaculares ni mucho menos. Para rematarla tuve que ocuparme de la revisión técnica del Montero y me encontré con que faltaban unos papeles, una buena alineación (no lo alineé luego de cambiar los terminales de dirección) y, lo más penoso de todo, debía de sacarle la película de polarizado a todas las ventanas. Al respecto intenté todo lo razonablemente intentable y no hubo caso; solo cabía sacarlas. En el estacionamiento del Sodimac, luego de comprar bencina blanca para remover los restos de pegamento que pudieran quedar adheridos, me bajó la nostalgia y le saqué la última foto con su polarizado intacto antes de profanarlo. Qué ley más idiota. En fin. La tarea de despegar las cositas me tomó bastante tiempo, tiempo que podía haber dedicado a la Merkabah, pero la vida es dura, ya saben.

Como fuere, la cosa no había cambiado y los pernitos y las tuercas debían de cepillarse para liberarlos del óxido de los siglos, así es que a eso me dediqué todo el resto del tiempo disponible. Como dije, es una suerte que la paciencia me asista en estos menesteres; en otros la pierdo ligerito y casi siempre queda la cagada, aunque en estos años he ido aprendiendo cada vez más a contar hasta 33. Me estaré poniendo viejo de verdad?

Saludos.

Pairoa
Imágenes Adjuntas
        
pairospam está offline   Responder Con Cita
Antiguo 01-08-2012, 11:58:55   #812
Hilux Surf-Vigo
Senior Member
Top 5000
 
Fecha de Ingreso: Dec 2004
Edad: 34
Mensajes: 5.590
Predeterminado Re: Merkabah: de tolva a motorhome

Los bujes de la calavera se cambian, los venden en los talleres y locales de freno, no son tan caros, aunque cuando instales la calavera, fijate en el estado de los pasadores, ya que cuando toman juego quiebran la calavera y es un desastre hay que desarmar todo. Sobre las chicharras, quizas te conviene cambiarlas, despues no vaya a ser que te frenen disparejo, y las levas tienen rodillos, hay en sobremedida para que no se pase en la excéntrica.
Hilux Surf-Vigo está offline   Responder Con Cita
Antiguo 01-08-2012, 14:00:22   #813
pairospam
Senior Member
Top 1000
 
Fecha de Ingreso: Sep 2009
Ubicación: San Felipe
Mensajes: 1.051
Predeterminado Re: Merkabah: de tolva a motorhome

Hola Hilux:

Me confunde un poco el cuento de los nombres ya que no sé si te refieres a la calavera como al plato de soporte de las zapatas, a los pasadores como al eje de levas, al juego que se establece entre el eje y el rodamiento semiesférico, a los rodillos de las levas como los rodillos de las zapatas y a la excéntrica como al máximo de rotación del eje de levas de freno al ser aplicado.

Si explicas en cristiano mi estará mucha contento.

Gracias.

Pairoa
pairospam está offline   Responder Con Cita
Antiguo 02-08-2012, 00:27:28   #814
Kruger
Senior Member
Top 1000
 
Avatar de Kruger
 
Fecha de Ingreso: Oct 2003
Ubicación: Santiago, Chile
Edad: 48
Mensajes: 3.550
Predeterminado Re: Merkabah: de tolva a motorhome

Pairoa

en la V Region no aceptan los polarizados, en la metropolitana si, por extraño que parezca.... Solo las ventanas delanteras tienen que ser transparentes...
Kruger está offline   Responder Con Cita
Antiguo 02-08-2012, 09:15:05   #815
pairospam
Senior Member
Top 1000
 
Fecha de Ingreso: Sep 2009
Ubicación: San Felipe
Mensajes: 1.051
Predeterminado Re: Merkabah: de tolva a motorhome

Herr Kruger: Eso me habían dicho e intenté comunicarme con tres plantas de revisión sin poder contactar ninguna. Entonces decidí el Sepuku del polarizado, antes de pegarme el pique y encontrarme conque igual podría salir rechazado. La vida es dura.

Hilux? De veras me interesa lo que dijiste pero sigo sin que me quede muy claro el asunto. Las chicharras de ajuste son carísimas y no hay en stock así es que a menos que haya sustitutos de calidad adecuada y precio razonable las viejas chicharras deberán seguir cumpliendo su función por al menos un millón de kilómetros más.

Saludos.

Pairoa

Última edición por pairospam fecha: 02-08-2012 a las 09:21:03
pairospam está offline   Responder Con Cita
Antiguo 02-08-2012, 16:38:07   #816
Hilux Surf-Vigo
Senior Member
Top 5000
 
Fecha de Ingreso: Dec 2004
Edad: 34
Mensajes: 5.590
Predeterminado Re: Merkabah: de tolva a motorhome




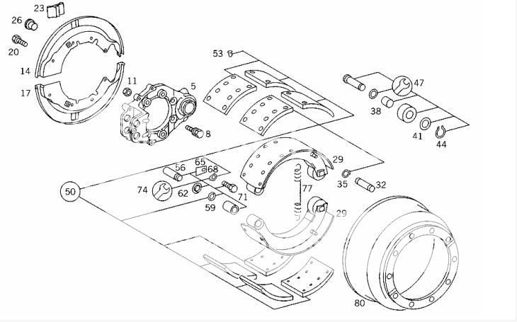
Calabera es el plato de soporte, el nº 5 de la primera imagen.
Pasador de las zapatas, nº74 de la primera imagen, muchos les ponen seguros seagers
Rodillos de las levas, nº47 primera imagen, esos se compran por muestra y diametro, cuando el tambor está en sobremedida y las balatas lo mismo y no frena como se debe, se pone un rodillo mas grande, ya que si es mas chico al girar la leva abre las zapatas y esta se pasan en la excéntrica, se pasa para el lado contrario y queda trabada la balata, para destrabarla hay que desmontar el tambor y las zapatas-balatas para instalarla como corresponde.

El juego de reparación de la calavera igual lo puedes comprar (nº89 o las piezas 35-38-32-29-26-71-68), lo principal son los retenes, el buje ya lo venden hecho, lo hacen en las tornerías.

Las chicharras de freno en MB mas menos salen 50 lks c/u, es mas mañana hay oferta en Kaufmann y me avisaron que las chicharras traseras de Actros salen 51 lks, asi que para un NG deben ser mas baratas e incluso puedes encontrar mayor varidedad, eso si, acuerdate de la posición, ya que el primer eje trasero no son las mismas del 2º eje, y lo mismo para el lado, izquierda y derecha.
Hilux Surf-Vigo está offline   Responder Con Cita
Antiguo 02-08-2012, 20:46:45   #817
pairospam
Senior Member
Top 1000
 
Fecha de Ingreso: Sep 2009
Ubicación: San Felipe
Mensajes: 1.051
Predeterminado Re: Merkabah: de tolva a motorhome

Hilux:

Gracias por la aclaración; era más menos lo que creía.

El juego de reparación original, sin otra alternativa, cuesta la friolera de $ 223.665 cada uno (son cuatro), y las chicharras, también originales y para peor sin stock, sale $ 133.500 también cada una.

Si las chicharras de un Actros sirviesen me voy mañana a Santiasco a comprarlas, mala cueva el tráfico. Servirán?

Saludos.

Pairoa
pairospam está offline   Responder Con Cita
Antiguo 03-08-2012, 00:29:21   #818
Hilux Surf-Vigo
Senior Member
Top 5000
 
Fecha de Ingreso: Dec 2004
Edad: 34
Mensajes: 5.590
Predeterminado Re: Merkabah: de tolva a motorhome

O buscalas en caren, la de los Actros es diferente, creo que incluso el estriado es diferente, los NG y SK tienen un tipo de chicharra. Demas que en Caren-René Smok las encuentras.
Hilux Surf-Vigo está offline   Responder Con Cita
Antiguo 08-08-2012, 01:16:48   #819
pairospam
Senior Member
Top 1000
 
Fecha de Ingreso: Sep 2009
Ubicación: San Felipe
Mensajes: 1.051
Predeterminado Re: Merkabah: de tolva a motorhome

"Nop... no le tenimo, no le traemo, no le trabajamo!" La triada clásica.

Las chicharras se quedarán definitivamente en el camión al menos hasta aviso de hallazgo de uno o de los dos juegos nuevos a un precio razonable, cuando menos razonable bajo los preceptos de mi presupuesto.

De todos modos el estado de las mismas no era taaan, taaan malo y, con un poco de cariño, podrían mejorar tanto funcionamiento como aspecto. Como se ve en las fotos, al menos una de ellas había sido reparada previamente.

Más adelante más noticias.

Saludos.

Pairoa
Imágenes Adjuntas
  
pairospam está offline   Responder Con Cita
Antiguo 08-08-2012, 22:00:40   #820
Hilux Surf-Vigo
Senior Member
Top 5000
 
Fecha de Ingreso: Dec 2004
Edad: 34
Mensajes: 5.590
Predeterminado Re: Merkabah: de tolva a motorhome

No veo cual es la reparada, si tienes mas fotos o algun código mándalo, a veces cuando veo repuestos la puedo encontrar y cotizar.
Hilux Surf-Vigo está offline   Responder Con Cita
Respuesta

Compartir en Redes Sociales


Normas de Publicación
Tu no puedes publicar nuevos temas
Tu no puedes publicar respuestas
Tu no puedes adjuntar archivos
Tu no puedes editar tus posts

Codigo BB is habilitado
Las caritas están habilitado
Código [IMG] está habilitado
Código HTML está deshabilitado

Saltar a Foro


La franja horaria es GMT -3. Ahora son las 22:59:09.


Powered by: vBulletin, Versión 3.8.11
Derechos de Autor ©2000 - 2025, Jelsoft Enterprises Ltd.
Copyright Twisted Andes. Todos los derechos reservados.