Retroceder   TwistedAndes > 4WD > Novatos

Novatos Foro abierto a cualquier tipo de preguntas sobre 4x4 de usuarios nuevos.

Respuesta
 
Herramientas
Antiguo 30-08-2011, 22:11:02   #1
sonifecar
Member
Top 100
 
Avatar de sonifecar
 
Fecha de Ingreso: Jun 2009
Ubicación: Nacimiento
Edad: 50
Mensajes: 187
Predeterminado 2lt o 1kz

Estimados.- Acabo de adquirir un Toyota Surf 93 que estaba con el motor 2lt desarmado por culata (ya se reparo) y un 1kz en proceso de montaje y estoy en la duda si mantengo el motor original 2lt o lo cambio por el 1kz

Consulta
¿Cual me aconsejan montarle?,¿que diferencia en rendimiento entre los dos?,¿Cual es mas aperrado?

Los motores:

El 2lt con caja mecanica
El 1 kz caja automatica

Les agradeceria me aconsejaran ya que es una decision que debo tomar luego para comenzar a armar la Surf.-
sonifecar está offline   Responder Con Cita
Antiguo 30-08-2011, 22:42:55   #2
aguilera
Member
Top 100
 
Avatar de aguilera
 
Fecha de Ingreso: Apr 2007
Ubicación: thno
Edad: 49
Mensajes: 241
Predeterminado Re: 2lt o 1kz

wen cambio yo tambien estoy en proceso de cambiar el motor 22r a un petrolero, por lo que averiguado el 1kz es mejor en torque y si jeepeas trabaja mas aliviado en rendimiento no es mucha la diferencia, me venden uno con caja mecanica de un prado pero la caja tiene la palanca casi en la cola no en el medio como en el original ...a menos que empiece a ver si puedo instalar doble tranfer....weno eso esta por verse.porfa pon fotos del cambio pa ver con que me toco en el transplante....
aguilera está offline   Responder Con Cita
Antiguo 31-08-2011, 16:07:42   #3
Hilux Surf-Vigo
Senior Member
Top 5000
 
Fecha de Ingreso: Dec 2004
Edad: 34
Mensajes: 5.590
Predeterminado Re: 2lt o 1kz

Es 1KZ-TE, tienes que instalarlo con el ramal de cables y la unidad de control.

Es un motor muy noble si mantienes el sistema de refrigeración en excelente estado.
Hilux Surf-Vigo está offline   Responder Con Cita
Antiguo 31-08-2011, 18:08:45   #4
sonifecar
Member
Top 100
 
Avatar de sonifecar
 
Fecha de Ingreso: Jun 2009
Ubicación: Nacimiento
Edad: 50
Mensajes: 187
Predeterminado Re: 2lt o 1kz

Cita:
Empezado por Hilux Surf-Vigo Ver Mensaje
Es 1KZ-TE, tienes que instalarlo con el ramal de cables y la unidad de control.

Es un motor muy noble si mantienes el sistema de refrigeración en excelente estado.
Si tengo ramal,tablero, ecu, este estaban instalandolo cuando lo compre pero lo saque ya que no me gusto la soportacion que le estaban realizando,estaba en un 60 la instalacion electrica,pero lo que no me convence es la caja automatica,a gusto personal prefiero la caja mecanica.-
El 2lt tenia la culata partida yo encontre la culata y se armo el motor esta funcionando de echo lo instale en la surf,pero me encontre con el gran problema que el electrico que estaba trabajando en el cambio desarmo casi todo,cortando el ramal original(en vez de desenchufar los conectores )y ahy quede entrampado ya que no encuentro los diagramas electricos y un electrico con pasiencia para que los vuelva a armar(tambien tengo todo los cables que saco).-
La duda mantengo este o lo cambio definitibamente por el 1kz
¿Se puede dejar con la caja mecanica de 2lt?
Imágenes Adjuntas
     
sonifecar está offline   Responder Con Cita
Antiguo 31-08-2011, 22:44:42   #5
Hilux Surf-Vigo
Senior Member
Top 5000
 
Fecha de Ingreso: Dec 2004
Edad: 34
Mensajes: 5.590
Predeterminado Re: 2lt o 1kz

La caja del 2L-T/2L-TE es diferente a la del 1KZ-TE.

El resto es conectar cables segun el código de colores.
Hilux Surf-Vigo está offline   Responder Con Cita
Antiguo 06-09-2011, 17:45:23   #6
sonifecar
Member
Top 100
 
Avatar de sonifecar
 
Fecha de Ingreso: Jun 2009
Ubicación: Nacimiento
Edad: 50
Mensajes: 187
Predeterminado Re: 2lt o 1kz

Cita:
Empezado por Hilux Surf-Vigo Ver Mensaje
La caja del 2L-T/2L-TE es diferente a la del 1KZ-TE.

El resto es conectar cables segun el código de colores.
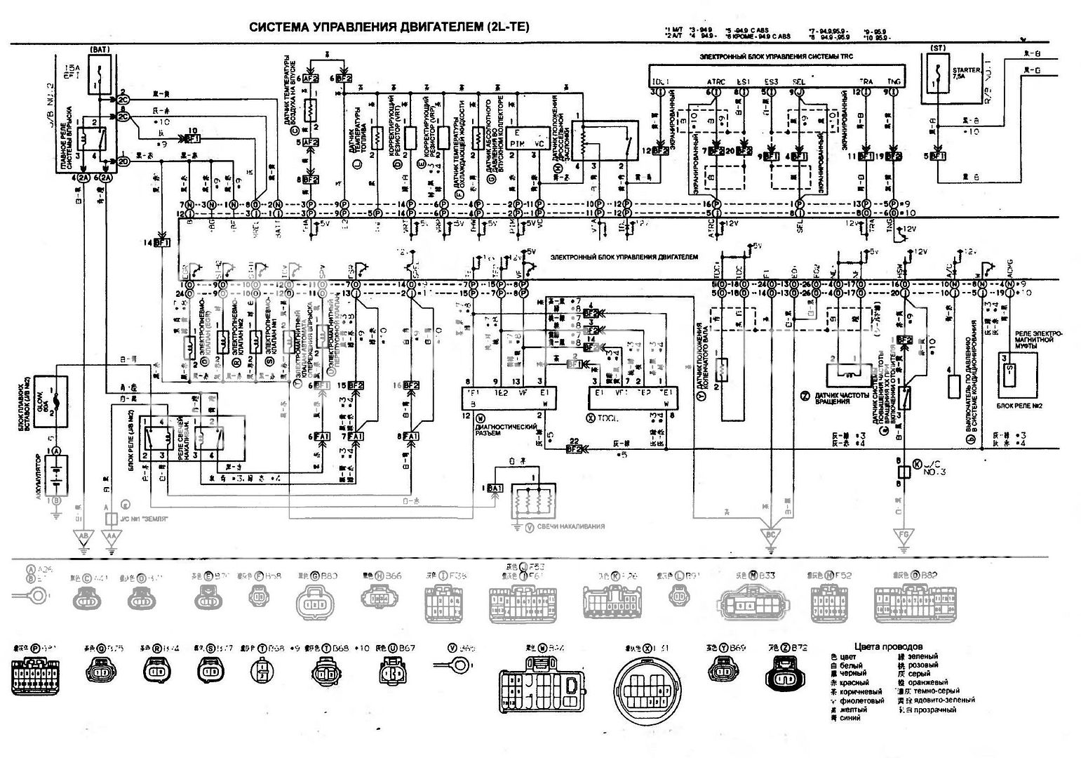
Por casualidad no tienes por ahy el diagrama electrico y de coneccion de las mangeras de vacio de 2lte
sonifecar está offline   Responder Con Cita
Antiguo 06-09-2011, 17:46:30   #7
sonifecar
Member
Top 100
 
Avatar de sonifecar
 
Fecha de Ingreso: Jun 2009
Ubicación: Nacimiento
Edad: 50
Mensajes: 187
Predeterminado Re: 2lt o 1kz

me decidi de montar el 2lte pero dejo en stabay el 1kz para un proyecto a futuro
sonifecar está offline   Responder Con Cita
Antiguo 06-09-2011, 20:04:39   #8
Hilux Surf-Vigo
Senior Member
Top 5000
 
Fecha de Ingreso: Dec 2004
Edad: 34
Mensajes: 5.590
Predeterminado Re: 2lt o 1kz

Cita:
Empezado por sonifecar Ver Mensaje
Por casualidad no tienes por ahy el diagrama electrico y de coneccion de las mangeras de vacio de 2lte
Debo tenerlo en alguna parte.
Hilux Surf-Vigo está offline   Responder Con Cita
Antiguo 15-11-2011, 19:44:43   #9
sonifecar
Member
Top 100
 
Avatar de sonifecar
 
Fecha de Ingreso: Jun 2009
Ubicación: Nacimiento
Edad: 50
Mensajes: 187
Predeterminado Re: 2lt o 1kz

Cita:
Empezado por Hilux Surf-Vigo Ver Mensaje
Debo tenerlo en alguna parte.
Y aun estoy con el problema de la parte electrica.me puedes ayudar.-

gracias
sonifecar está offline   Responder Con Cita
Antiguo 15-11-2011, 21:47:14   #10
Hilux Surf-Vigo
Senior Member
Top 5000
 
Fecha de Ingreso: Dec 2004
Edad: 34
Mensajes: 5.590
Predeterminado Re: 2lt o 1kz

Hilux Surf-Vigo está offline   Responder Con Cita
Respuesta

Compartir en Redes Sociales


Normas de Publicación
Tu no puedes publicar nuevos temas
Tu no puedes publicar respuestas
Tu no puedes adjuntar archivos
Tu no puedes editar tus posts

Codigo BB is habilitado
Las caritas están habilitado
Código [IMG] está habilitado
Código HTML está deshabilitado

Saltar a Foro


La franja horaria es GMT -3. Ahora son las 05:29:17.


Powered by: vBulletin, Versión 3.8.11
Derechos de Autor ©2000 - 2025, Jelsoft Enterprises Ltd.
Copyright Twisted Andes. Todos los derechos reservados.